domingo, 27 de junio de 2010

Nuevos amplificadores operacionales Rail-to-Rail

Los operacionales EL810x tienen unaúnica alimentación de 5V y están disponibles con o sin un circuito de desactivación de bajo consumo de rápida actuación. El Elantec EL8100 y el EL8101 se caracterizanpor un ancho de banda de 200MHz y un slew rate de 200V/us. El Elantec EL8102 se caracteriza por un ancho de banda de 500MHz y un slew rate de 600V/us. Ofrece ganancia diferencial "best-in-class" de 0.005%. Con una activación de 200ns y desactivación de 13ns, el EL8100 y el EL8102 están especialmente indicados para aplicaciones que requieren multiplexación.

La última adición a la creciente familia de amplificadores operacionales Elantec de
Intersil ofrece el mayor ancho de banda y slew rate disponible en el mercado a precios muy competitivos. Estos son simplemente los primeros productos en una completa familia rail-to-rail que incluirá operacionales individuales, duales, triples y cuádruples indicados para una amplia gama de aplicaciones de video y de comunicaciones.

Ideales para señales de video
Los operacionales Elantec EL810X de Intersil se caracterizan por anchos de
banda de 200MHz y 500MHz, slew rates de hasta 600V/us y consumo de solo 2mA
para el EL8100/01 y 5.6mA para elEL8102. Las salidas rail to-rail oscilan
dentro de 150 mV al rail positivo y 100mV al negativo siendo ideales para amplificaciónde señales de video.

Bajo consumo o baja distorsión

La gama inicial de operacionales individuales incluye dispositivos de 200MHz de
bajo coste y bajo consumo y también dispositivos de 500MHz de gran ancho de
banda y baja distorsión. Indicados para las actuales aplicaciones industriales, video,comunicaciones, e instrumentación que necesitan de muy altas prestaciones y bajo consumo los EL8100/01 están disponibles en encapsulados SO de 8-pines.

Características

• Alimentación de 3V a 5V
• Entrada a 0.1V por debajo de VS
• Salida Rail-to-RailEL8100/8101
• Ancho de banda de 200MHz
• Slew Rate de 200V/μs
• Baja corriente de alimentación= 2mA
• Rápida desactivación de 13ns(sólo EL8100)

EL8102

• Ancho de banda de 500MHz
• Slew Rate de 600V/μs
• Baja corriente de alimentación= 5.6mA
• Rápida desactivación de 13ns


Vídeo FrontEnd, 100 MHz,restauración de DC y separador de sincronismos


EL EL4501 es un front end de video (VFE) altamente integrado que incorpora todas las funciones básicas de acondicionamiento de señal de vídeo analógico. Proporciona un interface flexible para subsistemas de vido analógico o analógico/
digital.

El EL4501 tiene una recomposición o restauración de la señal de contínua de gran ancho de banda, un avanzado separador de sincronismos,un separador de señales (data slicer) con umbral ajustable, salida ajustable y modo "powerdown".

El VFE ofrece restauración de nivel de continua (nivel del blanco ) de señal de vide y recuperación de todos los sincronismos necesarios para el control. Además, los datos integrados en la señal de vídeo o en regiones VBI de vídeo pueden ser extraidos y recuperados utilizando el separador de datos o señales (data slicer) de gran flexibilidad.

El avanzado separador de sincronismos posee una excelente inmunidad al ruido incorporando un filtro digital y un algoritmo de cualificación de señal. El amplificador de vídeo de continua es estable a ganancia unidad y sin carga en un
ancho de banda de 100 Mhz a –3dBm.


CARACTERÍSTICAS:

• Separación de sincronismos con recuperación DC
• Recuperación de contínua en un gran ancho de banda (1000 MHz)
• Sepradaro de sincronismos con funciones avanzadas
• Separación de señal-datos programable
• Alimentación simple de 5 Volts.
• ALIMENTACIÓN SIMPLE DE 5 Volts.
• Diff ganancia / fase =0.05 % / 0.03 º, RL=10k ohmios y AV= 1.
• Bajo consumo (< 75 mW ).

APLICACIONES:

• Captura de vídeo
• Proyectores de vídeo
• Set top boxes
• Vídeo vigilancia
• Recuperación de señal compuesta

El rango de tensión de entrada en modo común va desde la alimentación negativa hasta 1.5 voltios de la polarización positiva. Cuando se carga con un coaxial doble de 75 ohmios, el amplificador puede entregar señal hasta 150 mV dentro de la alimentación. Con 2000 V/micro seg de slew rate, el amplificador es el ideal para aplicaciones de vídeo compuesto.

El VFE funciona con alimentación simple de 5 voltios y en rango de temp. De –40ºC a +85ºC, y está disponible en encapsulado de 24 pines QSOP.

Separador de Sincronismos de Vídeo compatible con dos y tres niveles para DTV,
HDTV y Proyectores



El separador de sincronismos de Vídeo EL4511, está diseñado para dispositivos de nueva generación DTV,HDTV y proyectores así como también para equipamientos de transmisión y otras aplicaciones que requieran procesamiento de señal de vídeo.

El EL4511 soporta automáticamente sincronismo sobre verde, sincronismo separado, y entradas H/V síncronas seleccionando el tipo de formato. También es capaz de detectar y decodificar tres niveles de sincronismo utilizados en los últimos sistemas de almacenamiento.

Por encima de un Separador de sincronismos estándar,el EL4511 puede detectar automáticamente la velocidad de línea y bloquearla, sin utilizar la resistencia
externa RSET. El EL4511 esta disponible en un encapsulado QSOP de 24 pines y opera en un rango de temperatura de 0 a 85ºC.

Características

• Compatible con composite, component, HDTV y señal de PC
• Compatible con sincronización de dos y tres niveles
• Detección automática de sincronización
• 200 Khz max line rate
• Opciones de encapsulado pequeño
• Rango de tensión de entrada de 3.3 a 5V

Aplicaciones

• Entradas analógicas HDTV/DTV.
• Video proyectores.
• Monitores de ordenador.
• Set top boxes.
• Sistemas de seguridad por vídeo.
• Equipos de transmisión de vídeo.






Nombre Alexander sayago
C.I 16232455
Seccion 1 Materia Estado Solido

Las aplicaciones emergentes conducen los avances en los amplificadores

Las exigencias actuales sobre el funcionamiento de los sistemas en una gama variada de aplicaciones requieren a un número cada vez mayor de ingenieros, la capacidad de elegir y diseñar con amplificadores de bajo ruido en los que se incluyen amplificadores operacionales, preamplificadores de audio y amplificadores de instrumentación. Comprender los parámetros clave que ayudan a los diseñadores de circuitos integrados (CI) a mejorar el rendimiento del ruido podría ayudar a los ingenieros a obtener soluciones eficaces.

Exigencias de un público cada vez más numeroso

Diseñar con amplificadores de bajo ruido ha sido principalmente dominio exclusivo de la fraternidad de las microondas y de la RF. Pero muchos tipos de equipos electrónicos de uso habitual requieren ahora gestionar señales de amplitud ultra-baja, a altas resoluciones y con niveles bajos de distorsión. Ejemplos de ello son los equipos profesionales de audio, los instrumentos de monitorización ambiental, los controles industriales y los sistemas de formación de imágenes médicas; y los diseñadores deben comprender con rapidez cómo obtener un funcionamiento de bajo ruido. La selección correcta del dispositivo es crítica si el sistema resultante tiene que satisfacer sus objetivos de funcionamiento.

Cuando se evalúa un circuito integrado de un amplificador para una aplicación de bajo ruido, los dos factores más importantes a considerar son el ruido de tensión y el ruido de corriente. Estos aspectos "no ideales" del comportamiento de un amplificador operacional se pueden modelar como fuente de ruido de tensión en serie con un terminal de entrada de un amplificador operacional ideal que no produzca ruido, y dos fuentes de ruido de corriente entre cada terminal de entrada y común. Se puede considerar normalmente que estas fuentes son independientes entre sí.

Cuando se describe el ruido de la corriente y el ruido de la tensión en la hoja de datos de un amplificador operacional, las cifras indicadas están normalmente referenciadas a la entrada del dispositivo, para eliminar cualquier dependencia de la ganancia.

En el esquema de la figura 1, el ruido instantáneo combinado en la salida del amplificador se puede considerar como la suma de los efectos de dos tipos de ruido:
eo = (1+ R2/R1) x en + R2 x ruido de la corriente de E/S


Donde:
eo=ruido instantáneo combinado de salida

en = ruido de tensión
in = ruido de corriente

De esta ecuación, se puede calcular la contribución relativa de cada tipo de ruido como:

en/in = R2 / (1+ R2/R1)

Por consiguiente, la fuente de ruido dominante puede variar según la impedancia de entrada del circuito. El ruido de tensión domina en los circuitos de impedancia de generador baja, mientras que el ruido de corriente se hace cada vez más importante en los valores más altos de impedancia del generador. Esto tiene una influencia importante sobre la selección del amplificador. En las aplicaciones en que la impedancia del generador es baja, los diseñadores deberán seleccionar un amplificador operacional que ofrezca un ruido de tensión bajo. Para aquellas aplicaciones con generadores de impedancia alta, es preferible un amplificador con bajo ruido de corriente de entrada. La relación entre en y in (utilizando los valores RMS) se conoce como la Resistencia Característica del Ruido, que puede ser una cifra digna de considerar para evaluar la capacidad funcional de un amplificador en relación con la impedancia de cualquier generador previsto.

También es de gran valor tener en cuenta que tanto el ruido de tensión como el ruido de corriente varían sobre la anchura de banda de un amplificador operacional. Los diseñadores necesitan por lo tanto prever el valor de cada uno a la frecuencia prevista de funcionamiento para confirmar que el dispositivo elegido funcione según lo previsto en la aplicación final. Se puede obtener la información adecuada de la hoja de datos, o bien, hallarla por experimentación.



Figura 1 Fuentes de ruido debido a la tensión y a la corriente en una red de amplificador.

Criterios fundamentales de selección del dispositivo

Los amplificadores de bajo ruido actualmente disponibles están fabricados con la tecnología bipolar, de JFET o del proceso CMOS. En la tecnología bipolar, el ruido de la tensión es inversamente proporcional a la raíz cuadrada de la corriente del colector de la etapa de entrada. Los diseñadores del chip, pueden por lo tanto obtener un rendimiento de ruido de tensión bajo aumentando este valor de la corriente. Consecuentemente, cuando se comparan los amplificadores de tecnología bipolar con los de las tecnologías JFET o CMOS, los de tecnología bipolar tienden a producir la densidad más baja de ruido de tensión. Para los amplificadores operacionales bipolares de bajo ruido, esta densidad puede ser normalmente de alrededor de 1-2nv/√Hz. Sin embargo, el ruido de la corriente es directamente proporcional a la raíz cuadrada de la corriente del colector y, consecuentemente, es relativamente alto cuando el ruido de la tensión es bajo. De aquí que la realimentación externa y la resistencia del generador deban mantenerse bajas para garantizar un buen rendimiento del ruido. Las aplicaciones más adecuadas para los amplificadores bipolares, por lo tanto, son aquellas que tienen una impedancia de entrada baja, normalmente inferior a 200 Ω.

Inversamente, los amplificadores con etapas de entrada JFET muestran una densidad de ruido de corriente sumamente baja, normalmente de menos de 1fA/√Hz. Esto resulta en una corriente de polarización muy baja, lo cual hace que estos dispositivos sean adecuados para aplicaciones con impedancia del generador muy alta. Por otro lado, la densidad del ruido de la tensión tiende a ser de un orden de magnitud más alta que la del dispositivo bipolar, lo que impone una reducción del rendimiento en aplicaciones con impedancia del generador muy baja. Los amplificadores JFET pueden además operar de una alimentación simple, lo cual puede facilitar el diseño del suministro de energía.

Los amplificadores CMOS ofrecen buen rendimiento general contra el ruido, comparable con el rendimiento del ruido de tensión de los dispositivos bipolares, y asimismo con el rendimiento del ruido de corriente de los dispositivos de entrada JFET. Otros beneficios incluyen la baja distorsión y su operación de una alimentación simple, lo cual les hace adecuados para aplicaciones tan diversas como la amplificación de señales de sensores o de preamplificadores de audio.

Mejoras en los niveles de ruido
Pero el orden establecido está cambiando; las exigencias cada vez mayores de un funcionamiento de bajo ruido en el diseño de los aparatos electrónicos de uso general está forzando la aparición de nuevas generaciones de circuitos integrados para amplificadores de bajo ruido que ofrecen mejor rendimiento general. Históricamente, la creación de un amplificador de bajo ruido hacía necesario que los diseñadores de circuitos integrados intercambiaran otros aspectos del funcionamiento como la velocidad, la corriente de polarización de entrada y el consumo de la energía. El tamaño del dado y de la cápsula de los dispositivos de bajo ruido tienden también a ser mayores que los de los amplificadores de uso general. En las aplicaciones de bajo ruido tradicionales, como en las comunicaciones por satélite, radar o GSM inalámbrico, tales inconveniencias han sido secundarias a la importancia de obtener el rendimiento de ruido requerido. Sin embargo, con las realidades comerciales modernas frecuentes en las últimas generaciones de aplicaciones de bajo ruido, surgen requisitos necesarios de bajo ruido de tensión y de bajo ruido de corriente, además de baja energía, precio económico y pequeño tamaño.

Otras exigencias importantes que afectan a los sistemas modernos incluyen el soporte de la oscilación de la tensión de entrada o salida de un carril a otro, para potenciar al máximo el rango dinámico de la señal ya que los amplificadores deben operar a partir de unas tensiones de alimentación del sistema progresivamente inferiores. Otros requisitos incluyen el rechazo de la alimentación de alta potencia, por ejemplo en los productos diseñados para operar a partir de una tensión de batería no regulada. Estos deben también operar sobre la gama total de tensión útil de la batería, ya que la tensión de alimentación decae progresivamente del nivel totalmente cargado. Satisfacer todos estos requisitos en un solo amplificador es un reto.

Las innovaciones del proceso en las tecnologías bipolar, JFET y CMOS han posibilitado nuevas familias de dispositivos que muestran propiedades muy optimizadas. Un ejemplo:Telecomunicacioneslos amplificadores bipolares líderes están adoptando una nueva tecnología de aislamiento por zanja en lugar de la estructura tradicional de capa de difusión para obtener una densidad de transistor mayor por dado. Esta tecnología ofrece mayor velocidad, adaptación, linealidad y estabilidad, además de reducir el ruido producido por la tensión y la corriente. Los beneficios incluyen menor consumo de energía, operar sobre una gama extendida de temperaturas sin que se requieran disipadores térmicos, y que los encapsualdos sean más pequeños, con lo cual se pueden obtener densidades mayores en los diseños de canal múltiple.

Los avances en la tecnología de fabricación JFET incluyen la construcción de transistores multipuerta para el rendimiento óptimo por área de transistor, lo cual ha permitido reducir el ruido de la tensión manteniendo simultaneamente un ruido de corriente ultra bajo. Con un ruido de tensión en el rango de 4-6nV/√Hz y un ruido de corriente de menos de 1fA/√Hz, los dispositivos de la última generación han obtenido un ruido total bajo sobre una amplia gama de impedancia de transductor. Presentan una solución especialmente robusta cuando se tratan de amplificar señales de bajo nivel procedentes de generadores de impedancia alta, especialmente de transductores capacitivos, como los hidrófonos, los acelerómetros de precisión o los fotodiodos.

El desarrollo del amplificador CMOS se está también enfocando en los avances en el nivel de silicio para eliminar los compromisos entre aspectos tales como baja derivación y bajo ruido, que también han sido difíciles de combinar en un sólo dispositivo. Otros avances de procesos incluyen el silicio con aislador (SOI) BiCMOS, que ofrece una precisión mejorada de CC, un bajo consumo de la energía y bajo ruido de tensión. Diseñados para tensiones de alimentación de 0,9V-12V, que incluye la optimización para una operación de 3,3V-5V, permiten la interconexión directa al convertidor A/D además de la compatibilidad con la química de la batería, como las de ión de Li, haciendo que sean muy adecuados para utilizar en los dispositivos portátiles.

Nombre Alexander Sayago
C.I:16232455
Seccion 1 Materia Estado Solido

Limitaciones de Amplificadores Operacionales

Saturacion
La salida maxima del amplificador es aproximadamente 80%−90% del voltaje de las fuentes de potencia (mas o menos ±13V si las fuentes son ±15V ) a menos que sean del tipo "railto-rail". Estos ultimos pueden alcanzar voltajes muy cercanos a los de la fuente de potencia.En cualquier caso, la salida sufrira recorte una vez alcance el voltaje de saturacion en el lado positivo o negativo.

Corriente de corto circuito

El AO tiene un circuito de proteccion que limita la corriente a un valor maximo, llamado la corriente de corto circuito (short-circuit current, SCC). Si la corriente de salida que el AO suple o absorbe alcanza este valor, la magnitud el voltaje de salida deja de aumentar,limitando ası la corriente al valor de este parametro.

Ejemplo: Determine las resistencias mas pequeña que puede ser usada en un amplificador sin inversion sencillo con ganancia de 4V/V de tal modo que no se supere la corriente de corto circuito ISCC = 20mA cuando vO = 14V . El amplificador tiene una carga RL = 1kΩ conectada a la salida.

Disipacion de potencia
La operacion del AO requiere la extraccion de una cantidad de corriente IQ (llamada el quescient current en ingles), aun cuando la salida se mantenga en cero.Si vO=0V, el AO disipa internamente una potencia igual a

P = (VCC + VEE)IQ

donde VCC y −VEE representan los voltajes positivo y negativo de la fuente de potencia,respectivamente. Valores tipicos son VCC = +15V y −VEE = −15V .
Si la salida no es cero, una corriente iO debe ser provista a la carga y a la red de retroalimentacion. La misma debe ser extra´ıda de la fuente de potencia en adici´on a IQ. Esta corriente entrar´a o saldr´a del AO dependiendo de la polaridad de vO.
Si vO > 0, iO sale del AO y la corriente de la fuente VCC se convierte en IQ + iO. La
potencia disipada internamente es

P = (VCC + VEE)IQ + (VCC − vO)iO

Si vO < 0, iO entra al AO y la corriente de la fuente VEE se convierte en IQ + iO. La
potencia disipada internamente es

P = (VCC + VEE)IQ + (vO + VEE)iO

Note que los voltajes del power supply son VCC y −VEE (o sea, VEE es un voltaje positivo).
Ejemplo: Determine la potencia disipada por el AO usado en el ejemplo anterior si
vO =14V e IQ = 1mA. Use VCC = VEE = 15V .

Ancho de banda

La mayorıa de los AO son compensados internamente para hacerlos incondicionalmente
estables. Esto significa que el circuito interno contiene componentes que hacen que exista un polo dominante que se encuentra a una frecuencia mucho mas baja que los demas polos.

Esta situacion se muestra en la siguiente figura:



El diagrama muestra las siguientes cantidades: la ganancia de lazo abierto a, la ganancia de lazo cerrado del amplificador sin inversion 1+ R2/R1
y la frecuencia de ganancia unitaria fτ .

Este tipo de aparato se conoce como amplificador con producto ganancia-ancho de banda(GBP) constante. Como indica el termino, la reduccion en la ganancia del amplificador(causada por el uso de retro-alimentacion negativa) esta acompañada de un aumento similar en el ancho de banda, el cual puede ser calculado usando la formula



Ejemplo: Calcule el ancho de banda de un amplificador con ganancia A = +100V/V y
que utiliza el AO μA741 con fτ = 1MHz.

Amplificador con n etapas identicas

Si se desea un GBP mas grande, se pueden usar varias etapas para obtener un amplificador con la misma ganancia total. En el ejemplo anterior, la ganancia de
+100V/V se puede obtener con dos etapas con ganancia de +10V/V.Sin embargo, en este caso el ancho de banda global no es igual al de cada etapa, pues a la frecuencia fbw cada etapa reduce la ganancia por 3dB y la atenuacion total es 6dB.

Podemos obtener una formula para determinar el ancho de banda de un amplificador con n etapas identicas partiendo de la respuesta de frecuencia de cada etapa,



Para n etapas la ganancia total es



donde An0i = A0, la ganancia d.c. deseada. Notando que




y que a la frecuencia fBW (el ancho de banda del amplificador de n etapas) la ganancia totales igual a A0/√2, tenemos que



y





donde fBW es el ancho de banda del amplificador de n etapas, A0 es la ganancia del amplificador de n etapas, y n√A0 es la ganancia de cada etapa.

Ejemplo: Determine el ancho de banda de un amplificador con A = 500V/V si se usan
(i) una etapa, (ii) dos etapas, y (iii) tres etapas sin inversion. Asuma que se utiliza el AO μA741.

Etapas con inversion
La descripcion anterior se refiere a n etapas sin inversion. Si se utilizan etapas con inversion, el ancho de banda debe calcularse usando 1 + R2/R1 aunque la ganancia de cada etapa es −R2/R1. Las formulas aplican sin modificacion pero el GBP es inferior.

Ejemplo: Determine el ancho de banda de un amplificador si se usan (i) una etapa, (ii) dos etapas, y (iii) tres etapas con inversi´on para obtener una ganancia total con magnitud igual a 500V/V . Asuma que se utiliza el AO μA741.

Razon de cambio maxima (Slew-rate)

La respuesta de escalon de un amplificador de GBP constante debe ser



pues actua como un sistema de primer orden. En esta expresion τ = 1/2πfbw. Sin embargo,debido a limitaciones del circuito interno del AO, si el escalon supera un tamaño particular,una respuesta de pendiente constante precedera a la respuesta exponencial, tal como muestra en la siguiente figura.



La razon maxima a la que puede cambiar el voltaje de salida se conoce comoslew-rate
(SR). Si la señal requiere un cambio mas rapido,la señal se distorsiona y la razon de cambio se limita al slew-rate. Ejemplos de señales limitadas de este modo son los siguientes:




Para determinar el tamaño maximo del escalon que sera libre de este tipo de distorsion,observe que




es maximo en t = 0. Por tanto, si



la salida no sera limitada por el SR. Esta formula se puede expresar como



donde Vm representa el tamaño del escalon en la salida del amplificador y fbw es el ancho de banda del amplificador.
En el case de una se˜nal senoidal de frecuencia f,

v(t) = Vm sin (2πft)

la razon de cambio es

dv(t)/dt = 2πfVm cos (2πft)

y tambien es maxima en t = 0 asi que para tener una señal libre de distorsion,

2πfVm ≤ SR

Esta condicion se puede expresar como

f ≤ SR/2πVm

o como

Vm ≤ SR/2πf

Ejemplo: Calcule fmax si Vm = 10V y SR = 0.5V/μs.

Corrientes de polarizacion

El funcionamiento de AO que utilizan transistores bipolares requiere que exista corriente en los terminales de entrada del aparato. La corriente de polarizacion o bias current se define como el promedio de la corriente que entra o sale de los terminales

IB =Ip + In/2

La diferencia entre las corrientes que entran a los terminales se llama corriente de offset y se define como

IOS =| Ip − In |

Debido a que es causada por errores aleatorios en la fabricacion del circuito integrado, no es posible conocer el signo de IOS de antemano. Tıpicamente, IOS es un orden de magnitud menor que IB.

La tabla 1 muestra valores2 de IB e IOS para varios AO de uso comun. Puede observarse
la amplia de valores que pueden obtenerse de los distintos aparatos.

Table 1: Parametros de Varios AO





La tabla 1 muestra valores2 de IB e IOS para varios AO de uso comun. Puede observarse
la amplia de valores que pueden obtenerse de los distintos aparatos.

En adicion al valor de IB especificado en la tabla, es importante considerar las variaciones del parametro con temperatura. La misma puede resumirse como sigue:
• en AO que utilizan transistores bipolares, la IB disminuye a medida que la temperatura aumenta, debido a que la β de los transistores aumenta con T;

• en AO construidos con JFETs, IB se duplica cada vez que la temperatura aumenta
por 10◦C, segun la formula

IB(T) = IB(T0) × 2(T−T0)/10

• en circuitos basados en MOSFETs, la dependencia es similar a aquellos basados en
JFETs debido a la presencia de diodos usados para protecci´on contra descargas de
electricidad estatica.

Error debido a IB

Considere el siguiente diagrama,



donde por conveniencia las corrientes de polarizacion se representan como fuentes externas a un AO ideal. Los terminales de entrada estan virtualmente conectados, y

vn = vp = −IpRx

IR1 = −(Rx/R1)*Ip

El error causado por las corrientes es




Para reducir este error, podemos (i) reducir el tamaño de R2 (y consecuentemente el de R1 para mantener la misma ganancia), o (ii) escoger

Rx = R1 || R2

de tal modo que el error debido a IB, que usualmente es el componente mas importante, se cancele. En tal caso, el error restante es

EO = ±IOSR2

donde se a incluido la incertidumbre en el signo del error.

Ejemplo: Para el μA741, IB = 80nA e IOS = 20nA. Determine el error en el
voltaje de salida si R1 = 22kΩ, R2 = 2.2MΩ, y
(a) despreciamos IOS y Rx = 0;

Respuesta:

EO =(2.2 × 106)(80 × 10−9)= 176mV
(b) Rx = 22kΩ 2.2MΩ = 21782Ω;

Respuesta:

EO = ±IOSR2 = ±20nA × 2.2MΩ = ±44mV

Nivel (Offset) en el voltaje de entrada, VOS

Debido a imperfecciones en le construcci´on del AO, aun si conectamos ambas entradas a tierra vO = vog diferente 0V . Este error se representa como un voltaje de offset en la entrada,

VOS =vog/a

donde vog representa el voltaje que se mide en la salida cuando las entradas estan conectadas a tierra, y a es la ganancia de lazo abierto. El VOS usualmente se representa como una fuente d.c. conectada a la entrada + del AO, y es amplificado igual que cualquier señal conectada a dicho punto.

El valor de VOS no es constante, y cambia linealmente con temperatura. Coeficientes
tıpicos son: 5mV/◦C (741) y 0.1mV/◦C (OP-77).

Ademas, la presencia de un voltaje comun a las dos entradas (llamado voltaje de modo
comun, o vCM) produce un cambio dado por

dVOS/dvCM =1/CMRR

donde el common-mode rejection ratio (CMRR) es un parametro que se reduce a medida
que la frecuencia de la señal comun aumenta, haciendo que VOS aumente con la frecuencia de vCM.

Tambien variaciones en el voltaje de la fuente de potencia afectan el valor de VOS, de acuerdo a la formula

dVOS/dVS=1/PSRR

donde PSRR representa un parametro llamado el power-supply rejection ratio.
Por ultimo, la señal de salida vO producen cambios en la entrada diferencial del AO que afectan VOS, ΔVOS = ΔvO/ a .

Todas estas variaciones pueden combinarse en la siguiente expresion



Cancelacion del error debido a VOS y a IOS

Si el error producido por VOS e IOS excede los limites impuestos por la aplicaci´on, es necesario corregirlo añadiendo un voltaje externo que cancela el error. Esto implica que cada circuito tiene que ser ajustado en el campo, pues solo se conocen los valores limites del error y no su valor o polaridad. Algunos AO tienen terminales especiales que permiten la correccion del error d.c producido por VOS e IOS, y en este caso las publicaciones asociadas deben presentar su uso correcto. Los siguientes diagramas muestran alternativas que pueden usarse cuando
dichos terminales no estan disponibles:



Circuitos para anular el error dc
Nombre Alexander Sayago
C.I:16.232.455
Seccion 1 Materia Estado solido

sábado, 26 de junio de 2010

Proyecto basicos realizados con amplificadores

Los amplificadores operacionales, también conocidos como amp-op tienen dos entradas, invertida (-) y no invertida (+), y una salida. La polaridad de la señal aplicada a la entrada invertida se invierte a la salida. Una señal aplicada a la entrada no invertida mantiene la polaridad en la salida.


La ganancia (grado de amplificación) de un amplificador operacional está determinada por una resistencia de retroalimentación que alimenta parte de la señal amplificada de la salida a la entrada invertida. Esto reduce la amplitud de la señal de salida, y con ello la ganancia. Mientras mas pequeña es esta resistencia menor será la ganancia.

Consideraciones generales

1.Los cables de alimentación de un amp-op deben ser cortos, si tienen mas de 150 mm de largo, debe colocarse un condensador de 0.1µf entre cada entrada y tierra para evitar funcionamiento errático u oscilaciones.

2.Usualmente pueden sustituirse unos amp-op por otros en un circuito, por ejemplo, puede usar un amp-op doble IC-1458 en un circuito que requiera dos amp-op simples IC-741, teniendo cuidado en la conexión correcta de las patas.

3.Nunca aplique una señal de entrada a un amp-op sin alimentación de voltaje.

4.Siempre los voltajes de entrada V+ y V- deben ser iguales en magnitud.

5.El voltaje de la señal de entrada nunca debe ser superior al voltaje de alimentación.

En todos los circuitos presentados en esta página se usarán los amp-op populares IC-741 e IC-1458, el primero simple y el segundo doble.

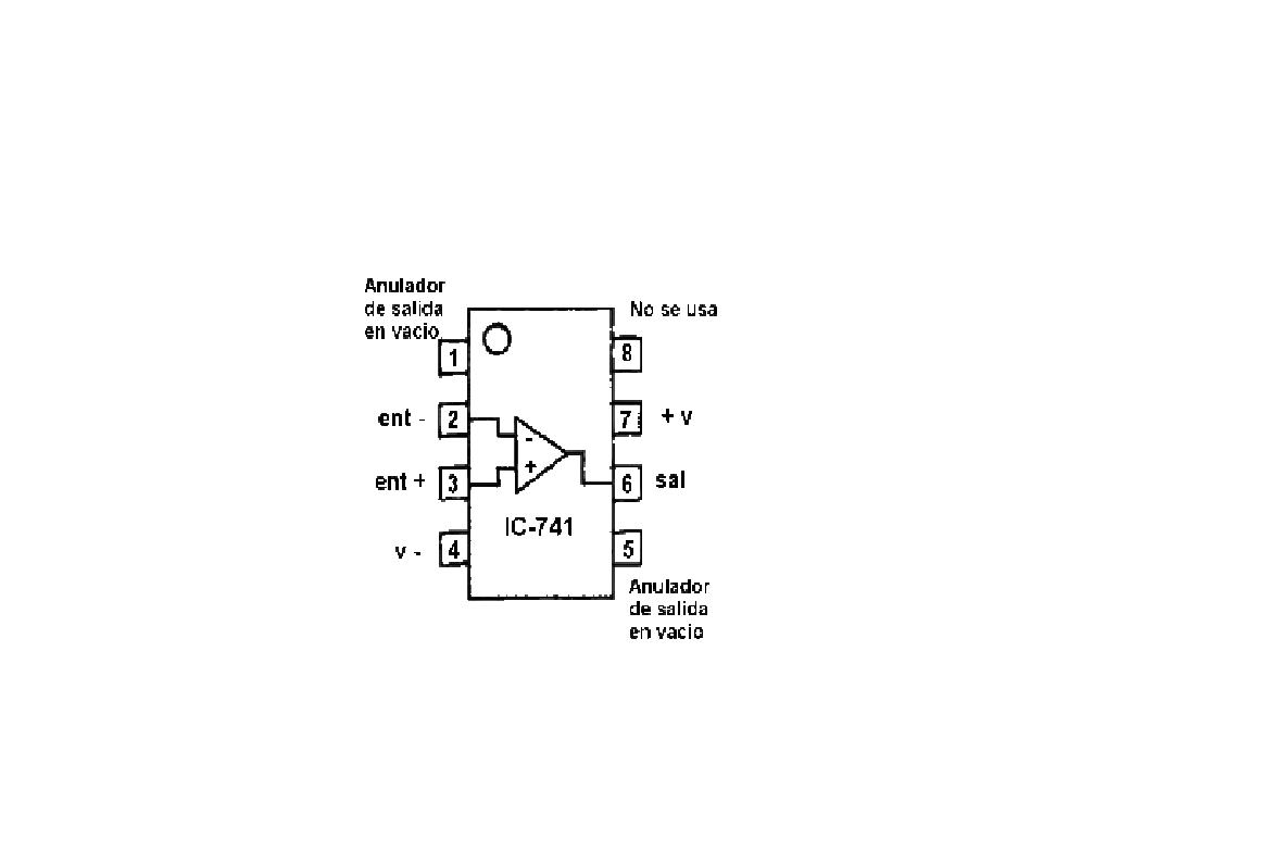
IC-741

El IC-741 es un amp-op de propósito general muy utilizado, es fácil de usar, práctico y barato.

La figura 1 muestra un esquema de este amp-op indicando la función de sus patas.

Características técnicas

1. Voltaje de anulación de salida-----------2 a 6 mV
2. Resistencia de la pata de entrada-----0.3 a 2 megaohms
3. Ganancia----------------------------------------------20,000 a 200,000
4. Corriente de consumo -----------------------1.7 a 2.8 mA
5. Consumo de potencia-------------------------50 a 85 mW





Valores máximos utilizables

1. Voltaje de suministro ±18 v
2. Disipación de potencia 500 mv
3. Voltaje diferencial de entrada ±30 v
4. Voltaje de entrada ±15 v
5. Tiempo en corto-circuito indefinido
6. Temperatura de operación 0° C a 70° C

IC-1458
El IC-1458 incluye dos amp-op independientes de propósito general en un solo paquete. Estos dos amp-op comparten las patas de voltaje de alimentación. Puede utilizarse para sustituir dos IC-741.



La figura 2 muestra un esquema de este amp-op indicando la función de sus patas.

Proyectos

Proyecto 1: Mezclador de audio
En la figura 3 se muestra el diagrama de como usar un IC-741 como mezclador de diferentes entradas de audio.
En este caso la salida será la mezcla de todas las entradas.



Proyecto 2: Sumador de voltajes

En la figura 3 se muestra como usar un amplificador operacional para sumar voltajes de entrada. La señal de salida es de polaridad invertida a las entradas.
La suma de los voltajes de entrada debe ser siempre menor que el voltaje de alimentación en 1 ó 2 voltios.

Pueden ser múltiples entradas pero siempre hay que usar una resistencia de 10k en cada una.

En la figura 5 se muestra como lograr el mismo efecto manteniendo la polaridad de la señal de entrada a la salida. Pueden utilizarse dos IC-741 en lugar del IC-1458 siempre que se conecten adecuadamente las patas.







Proyecto 3: Diferenciador de voltajes

En la figura 6 se muestra un diagrama de como hacer la resta de dos voltajes, en este caso la salida será igual a Vent2 ¯ Vent1. El voltaje de la señal no puede superar al voltaje de alimentación.

La polaridad del voltaje de salida será igual al de las entradas.




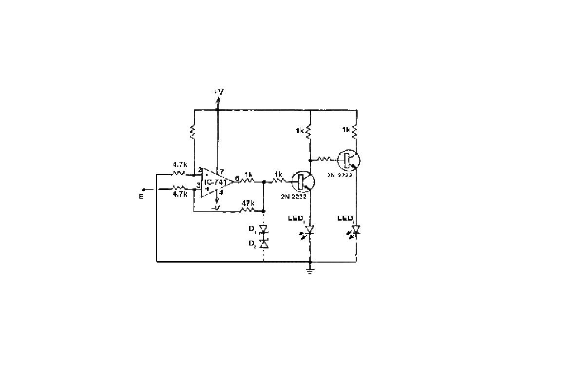
Proyecto 4: Interruptor permutador (flip-flop)
El circuito de la figura 7 usa un chip analógico para ejecutar una función digital lógica. En dependencia de a donde se conecte la entrada E se encenderá uno u otro LED.

Los diodos D1 y D2 son diodos zener opcionales y sirven para limitar el nivel de la salida al valor del umbral de conexión de los zener, diodos de 5.1 voltios son razonables.

Este circuito tiene "memoria" es decir el estado adquirido se mantiene aunque la entrada flote después de disparado en una dirección.
Funciona de la manera siguiente:
Entrada E LED 1 LED 2
+V on off
-V off on





Proyecto 5: Filtro de paso de bajas frecuencias

La figura 8 representa un circuito que sirve para reducir la potencia de las altas frecuencias a la salida por encima del valor de frecuencia fcen la señal de entrada, en él:

R1 = R2 = R
C1 = C2 = C

R3 = 0.586 ×R4
Ganancia = R4/R3
Se considera la frecuencia de corte fc, a la frecuencia donde la señal de salida es 0.707 el valor de la señal máxima de salida.
La magnitud de la reducción de las altas frecuencias será mayor a medida que esta sube.
Si se usan:
R= 4700 ohmios
C= 0.01 µf
fc= 3,386 Hz
Estos valores no son exactos, debe probar con diferentes componentes para lograr un propósito determinado

Proyecto 6: Filtro de paso de altas frecuencias

Este circuito es identico al anterior de pasa-bajos excepto que R1, R2 y C1, C2 han sido intercambiados. Esto produce el efecto contrario, reduce el paso de las altas frecuencias.
Las consideraciones y el valor de fcson las mismas del caso anterior.



Proyecto 7: Filtro pasa-banda sintonizable

En la figura 10 se muestra el circuito para construir un filtro pasa-banda de frecuencias. Este filtro puede ser sintonizado usando el potenciómetro, para dejar pasar desde un estrecho rango de algunos cientos de Hz hasta alrededor de 3000 Hz.




Proyecto 8: Generador de ondas cuadradas

Este circuito es facilmente ajustable para generar ondas cuadradas. Los componentes de tiempo son C1, R4, R5, R6, y R7.
Los componentes R1, R2 y R3 controlan la duración de los pulsos (ancho). Los pulsos son simétricos cuando R2 está en su centro.
Puede conectarse R2 directamente a +V y tierra eliminando a R1 y R3.



Nombre :Alexander Sayago
C.I:16.232.455
Seccion 1 Materia: Estado Solido

Aplicaciones con amplificadores operacionales

Vamos a ver algunas aplicaciones básicas más que podemos encontrar hachas con los amplificador operacionales. Existen muchas más y prácticamente el límite lo establece el ingenio y habilidad del diseñador electrónico.


1) AMPLIFICADORES LINEALES

Para poder utiliza un amplificador operacional como un amplificador lineal es decir, la salida es una copia de la entrada pero amplificada, deberemos hacer una realimentación de la salida en la entrada invertida del op-amp. Dependiendo de cómo se haga esa realimentación de la señal de salida, se crearán distintos amplificador lineales con diferentes características.

Para esta explicación, emplearemos un divisor de tensión o voltaje, a fin de tomar solo una muestra de la señal de salida que llevaremos a la entrada invertida.






Con esta configuración hacemos un AMPLIFICADOR LINEAL NO INVERSOR.

Al hacer la realimentación, se establece lo que se denomina "Ganancia de lazo". Esta ganancia, que hemos marcado como G', viene dada por la siguiente ecuación:

G' = (R1/R2) + 1

y se de debe diseñar para que sea mucho menor que G, la ganancia del amplificador

En estas condiciones, la resistencia de entrada de todo el amplificador se ve modificada y valdrá:

Ri' = Ri * (G/G')

y la de salida será:

Ro' = Ro * (G`/G)
Fíjense como la resistencia de entrada se incrementa mucho con el lazo de realimentación mientras que la de salida se disminuye significativamente. En la práctica se alcanzan valores de Ri mayores a 1M Ohm y de salida Ro menores a 1 Ohm (muy pequeña).

Resumiendo las características de este amplificador tenemos que:

1) La señal de salida está en fase con la de la entrada.

2) La ganancia de lazo depende únicamente de R1 y R2

3) La resistencia de entrada es muy grande

4) La resistencia de salida es muy baja

5) Su utilización típica es en amplificador de audio y circuitos de medición.

6) Sirve como "aislador" de señales espurias conectadas a él, eliminándolas por la realimentación.

7) La realimentación elimina los efectos negativos que pudieran aparecer entre la entrada y la salida del amplificador.

Como ejemplo del punto 7, si una resistencia se conecta en serie con la salida del amplificador lineal no inversor, ella aumentará la resistencia de salida de éste en forma aditiva. Si esto no es deseado, la resistencia en serie se puede colocar dentro del lazo de realimentación reduciendo su efecto aditivo a la salida:




¿Se acuerdan de lo que hablamos sobre los pushpull al comienzo del minitutorial?. Ese tipo de circuitos también se utilizan para aumentar el suministro de corriente en los circuitos.

Si quisiéramos aumentar la corriente a la salida de nuestro amplificador, podríamos hacer algo como esto:




El problema es que este tipo de circuito produce distorsión a la señal de salida.
Una vez más, introduciendo el push-pull dentro del bucle de realimentación, reducimos y prácticamente eliminamos esa distorsión:




2) SEGUIDORES DE VOLTAJE

¿Qué pasaría si elimináramos las resistencias del divisor de tensión en el amplificador lineal y mantuviéramos el bucle de realimentación?





Como R1 la hemos sustituido por un cable y R2 la eliminamos, R1=0 y R2=infinito.
y si vemos las ecuaciones del amplificador lineal veríamos que:

G' = 1

Ri' = G * Ri

Ro' = Ro / G

La ganancia de lazo de este amplificador es 1, y es la mínima que puede tener un amplificador lineal. Que tenga una ganancia de lazo igual a 1 implica que la señal a la entrada es exactamente igual a la de salida. A este circuito se le llama amplificador de ganancia 1 o seguidor de voltaje.


Resumiendo las características de este amplificador tenemos que:

8) La señal de salida está en fase con la de la entrada.

9) La ganancia de lazo es 1

10) La resistencia de entrada es grandísima

11) La resistencia de salida es bajísima

12) Su utilización típica es en acopladores de impedancia, amplificador de audio y circuitos de medición.

3) AMPLIFICADOR LINEAL INVERSOR

Este tipo de amplificador funciona de manera similar a los no inversores, pero a la salida se obtiene una señal que está desfada en 180º respecto a la de entrada.





La ganancia de lazo y resistencias de entrada y salida de estos amplificador inversores vienen dados por las siguientes ecuaciones.

G' = R1 / R2

Ri' = R2

Ro' = Ro * (1+G')/G

4) AMPLIFICADOR SUMADOR



Este amplificador suma las señales de entrada desde R1 hasta Rn y luego son amplificadas. Si V1, V2, V3…. Vn son las señales de entrada, entonces la señal de salida Vo viene dada por:

Vo = 1/Rf * (V1*R1 + V2*R2 + V3*R3 + …..Vn*Rn)

Estas son algunas de las aplicaciones básicas que se pueden realizar con un amplificador operacional. Así como éstas, podemos hacer otros circuitos básicos como Rectificadores, Cambiadores de Fase, Rectificadores de Señales, Osciladores Astables, Schmitt Triggers y muchas otras más.

Un aspecto importante de los amplificador operacionales que no se trata en este minitutorial, es su respuesta en frecuencia. El ancho de banda operativo de los op-amp no es infinito y depende de su diseño de fábrica, por lo que para desarrollar las aplicaciones deberemos echar mano de las "datasheet" del fabricante para observar estos parámetros. Es necesario entonces que investiguen referente a esto pues es parte fundamental de los diseño que incluyen estos componentes.

Al igual que para el offset existen pines disponibles para realizar su ajuste, algunos componentes también suministran pines adicionales para realizar una compensación de respuesta en frecuencia de forma externa, por medio de circuitos RC conectados a ellos a fin de aumentar su ancho de banda.

Hay mucho más que investigar respecto a los amplificador operacionales, pero conociendo los fundamentos y sus configuraciones básicas, podremos más o menos intuir la función que están realizando estos dispositivos al observar esquemáticos complejos que los incluyen.


Espero que este minitutorial de amplificador operacionales, les sirva de guia básica y los motive a seguir investigando sobre éstos y otras cosas apasionantes de la electrónica.

Nombre :Alexander Sayago
C.I:16.232.455
Seccion 1 Materia: Estado Solido

Caracteristicas basicas del amplificador operacional

AJUSTE DEL OFFSET

En la primera parte de este minitutorial terminamos explicando el offset de tensión de los amplificador operacionales.

Este es un efecto intrínseco no deseado de estos dispositivos que nos gustaría poder eliminar.

El offset de tensión, lo podemos ajustar variando una de las entradas del amplificador a fin de que anule o compense la tensión a la salida:




a este procedimiento se le llama ajuste de offset o "null-balance" que es un término que solemos encontrarnos cuando leemos sobre electrónica. Este ajuste es muy importante cuando usamos los operacionales en circuitos de medición.

Pero ustedes se preguntarán, "si utilizo la entrada invertida para ajustar el offset, ¿Cómo uso el amplificador?". Con esto en vista, los diseñadores proveen de dos pines en los encapsulados, que sirven para conectar la resistencia variable y ajustar el offset.

A estos terminales se les acostumbran denominar como "offsettnull" en los chips de op-amp. Las hojas de datos de los operacionales indican como usar el "offset null".

CORRIENTE DE BIAS

Ahora bien, si observaron antes el esquema básico del operacional, se habrán dado cuenta que las dos entradas son prácticamente las bases de sendos transistores.
Pues como todo transistor requiere de una corriente de base y de una resistencia de base para polarizarlo.

Estas corrientes de base son muy pequeñas (en el orden de nano o micro amperios en amplificador con entradas bipolares - transistores BJT) pero producirán una caída de tensión en cualquier resistencia de base que coloquemos a las entradas + o -;

Para el siguiente circuito, si las dos resistencias de base en las entradas son exactamente iguales, la tensión de salida Vo del operacional debe ser cero:




Si estas resistencias difieren en su valor, el operacional tendrá una tensión de salida espuria similar a la que vimos en el offset de tensión.

Por esta razón, deberemos tener mucho cuidado de que las resistencias equivalentes de los circuitos generadores de las señales en los terminales de entradas sean lo más parecidas posible entre ellas, pues si no desbalancearemos el operacional.

Este offset también puede ser corregido con el "offset null".

A las corrientes que circulan por Rb1 y Rb2 se les llaman corrientes de BIAS o "BIAS currents" y al desbalance que ocasiona se le llama "offset de corriente de entrada" o "Input offset Current" (Los términos en Inglés son para que se acostumbren a estos conceptos comunes en electrónica)


EL AMPLIFICADOR OPERACIONAL SIN REALIMENTACIÓN

Veamos ahora este amplificador operacional:



Si hacemos una tabla variando Vi desde –Infinito hasta Infinito y midiendo Vo, y los graficáramos, obtendríamos una curva como la siguiente:



Nota: Los valores mostrados no son reales y se expresan con números sencillo con fines de facilitar el ejemplo.

Este gráfico nos expresa la función de transferencia del amplificador operacional ideal.

Los puntos donde la curva se hace paralela al eje Vi indican la tensión de saturación (positiva y negativa). La pendiente de la recta en la zona lineal es la ganancia G del op-amp.

Escojamos dos puntos cualesquiera de la parte recta, por ejemplo: (-0,005,-10) y (0,004,8) (créanme que estos son dos puntos de la parte recta y recuerden que el eje X está en miliVoltios y el Y en Voltios, de allí los decimales); para este caso hipotético la ganancia sería:

G= (8-(-10)) / (0,004-(-0,005)) = 18/0,009 = 2000

Este amplificador tendría una ganancia de G=2000.

Si el amplificador operacional no tiene realimentación, el offset en sus entradas cambiará en forma descontrolada en la medida que dichas entradas varíen, haciendo que el op-amp trabaje en una forma inestable y no podremos tener lo que se llama un "punto de trabajo". Nuestro circuito estará siempre en +Vsat o en -Vsat.

Para lo único que podemos usar un amplificador operacional en lazo abierto es para COMPARAR cuando una de las entradas es mayor que la otra.

Así obtenemos un COMPARADOR:

1. Cuando V+ es mayor que V-, la salida Vo es +Vsat
2. Cuando V- es mayor que V+, la salida Vo es –Vsat

No se vayan a confundir con los signos: V+ podría valer 3 milivoltios y V- unos 2 milivoltios, con lo que Vo se iría a +Vsat (+12 voltios en nuestro ejemplo). Por otro lado y en otra circunstancia V+ podría valer 3 milivoltios y V- unos 5 milivoltios, con lo que Vo se iría a -Vsat (-12 voltios en nuestro ejemplo)

Recuerden que Vi = (V+) – (V-) por lo que en el primer caso Vi = 3-2 = 1 milivoltio y en el segundo caso Vi = 3 – 5 = -2 milivoltios.

La curva de este COMPARADOR ideal sería algo como esto:




Fíjense que si vemos el valor de G, esta sería INFINITO (pendiente vertical), en la realidad esto se indicado por una ganancia muy grande.

Los comparadores pueden ser INVERSORES o NO INVERSORES dependiendo como conectemos las señales a la entrada del amplificador operacional.

En la práctica, si queremos un comparador no inversor, pondremos la señal de referencia en la entrada invertida (V-) y la señal que queremos comparar entraría por V+. Así podemos saber cuando la señal monitoreada es mayor o menor que la referencia y actuar en consecuencia. Así, en Vo mediríamos +Vsat cuando la señal monitoreada es más grande que la de referencia y -Vsat en caso contrario.

Si deseamos invertir la salida (lógica negativa), las conectaremos al revés. En este caso en Vo mediríamos -Vsat cuando la señal monitoreada es más grande que la de referencia y +Vsat en caso contrario.

Nombre :Alexander Sayago
C.I:16.232.455
Seccion 1 Materia: Estado Solido

Current-feedback operational amplifier




The current feedback operational amplifier  or CFB op-amp  is a type of electronic amplifier whose inverting input is sensitive to current, rather than to voltage as in a conventional voltage-feedback (VFB) operational amplifier. The CFB op-amp was invented by David Nelson at Comlinear Corporation, and first sold in 1982 as a hybrid amplifier, the CLC103. The first patent covering a CFB op-amp is , David Nelson and Kenneth Saller (filed in 1983). The first integrated circuit CFB op-amps were introduced in 1987 by both Comlinear and Elantec (designer Bill Gross). They are usually produced with the same pin arrangements as VFB op-amps, allowing the two types to be interchanged without rewiring when the circuit design allows. In simple configurations, such as linear amplifiers, a CFB op-amp can be used in place of a VFB op-amp with no circuit modifications, but in other cases, such as integrators, a different circuit design is required. The classic four-resistor differential amplifier configuration also works with a CFB op-amp, but the common-mode rejection ratio is poorer than that from a VFB op-amp.

Operation

Referring to the schematic shown, the section marked in red forms the input stage and error amplifier. The inverting input (node where emitters of Q1 & Q2 are connected) is low-impedance and hence sensitive to changes in current. Resistors R1–R4 set up the quiescient bias conditions and are chosen such that the collector currents of Q1 & Q2 are the same. In most designs, active biasing circuitry is used instead of passive resistive biasing, and the non-inverting input may also be modified to become low impedance like the inverting input in order to minimise offsets.

With no signal applied, due to the current mirrors Q3/Q4 & Q5/Q6, the collector currents of Q4 and Q6 will be equal in magnitude if the collector currents of Q1 and Q2 are also equal in magnitude. Thus, no current will flow into the buffer's input (or equivalently no voltage will be present at the buffer's input). In practice, due to device mismatches the collector currents are unequal and this results in the difference flowing into the buffer's input resulting in an offset at its output. This is corrected by adjusting the input bias or adding offset nulling circuitry.

The section marked in blue (Q3–Q6) forms an I-to-V converter. Any change in the collector currents of Q1 and Q2 (as a result of a signal at the non-inverting input) appears as an equivalent change in the voltage at the junction of the collectors of Q4 and Q6. Cs is a stability capacitor to ensure that the circuit remains stable for all operating conditions. Due to the wide open-loop bandwidth of a CFB amplifier, there is a high risk of the circuit breaking into oscillations. Cs ensures that frequencies where oscillations might start are attenuated, especially when running with a low closed-loop gain.

The output stage (in cyan) is a buffer which provides current gain. It has a voltage gain of unity (+1 in the schematic).

VFB and CFB compared

The main reasons for choosing a CFB op-amp are to obtain a greater slew rate, and to avoid the constant gain-bandwidth product of VFB types. The bandwidth of a CFB op-amp depends only on the value of its feedback resistor. It is a common misconception that the CFB has an inherently higher bandwidth.

When CFB op-amps were first introduced, their bandwidths were huge compared to those of VFB types, making them desirable in high-frequency applications such as video and radiofrequency amplifiers adding to their reputation as high bandwidth amplifiers. Early models also had a reputation for instability, as the slightest parasitic capacitance at their inverting inputs caused them to oscillate. As the products matured, and circuit designers gained experience, the CFB op-amp became accepted as a standard circuit component. Meanwhile, the designers of VFB op-amps were forced to improve the bandwidths of their products, with the result that very fast VFB op-amps are now available.

CFB op-amps have very high slew rates, making them useful in video amplification where slew-rate limitation leads to distortion.

One of the trade-offs that designers must consider when choosing CFB op-amps is that these devices have high DC offsets. This makes them less suitable for high-precision or high-gain applications such as instrumentation amplifiers, and measuring instruments in general.

CFB op-amps also have higher current noise than VFB types, precluding their use as photodiode amplifiers. In other applications, their low voltage noise can be an advantage.

Finally, CFB op-amps are not optimised for single-supply operation, since the traditional output stage cannot swing closer than about 1.3V to the supply or ground.

Hernández Caballero Indiana
Asignatura: CAF
Fuente:http://www.reference.com/browse/wiki/Current-feedback_operational_amplifier

Application basics when using wideband voltage and current feedback op amps, Part 2 (of 2)


Understand the basics of current and voltage feedback op amps and where they fit, along with constraints and implications

With both current and voltage feedback operational amplifiers (op amp) available to the system designer, how do you decide which one to use? This article is the second of two parts. It reviews several applications that are most suitable to the current feedback type, then it introduces the fully differential amplifier (FDA). All applications covered in Part 1 for voltage  feedback op amps are also suitable for an FDA, but some particularly useful applications for this type of amplifier are shown here.

Keep in mind that applications requiring flexibility in the gain setting network will benefit from the gain bandwidth independence of the current feedback (CFB) design. As described in Part 1, the loop gain equation for a CFB includes only the feedback impedance while the gain element can be varied freely with minimal bandwidth interaction. The following examples exploit that advantage in several situations where a CFB would be the preferred solution.

Example A
If an inverting summing amplifier is required with a signal bandwidth that is independent of the number of channels summed or the required gains in those channels, a CFB amplifier should be used. Figure 1 shows an example of this approach using the high output voltage and current THS3091.
Figure 1. Inverting summing amplifier using the high voltage/current THS3091.

Here, we assume a 0 Ω source for each of the signal sources where each channel would see a gain of "2 V/V. For these CFB designs, the feedback resistor is first picked to be close to the recommended value for that particular CFB amplifier. Then, each input resistor should be selected according to the gain required by that channel.

Recall that this circuit implemented with a voltage feedback (VFB) has a bandwidth set by the noise gain (NG). For instance, five channels summed with a gain of -2 V/V will have a noise gain of 11. This condition would set a bandwidth for all five channels reduced to the [gain bandwidth product (GBP)]/11 even though each signal only sees a gain of -2 V/V. Using a CFB for this application retains the bandwidth much better because the parallel combination of all gain resistors does not enter strongly into the loop gain equation.

By way of comparison, Figure 2 simulates a single channel of Figure 1 using first the CFB TH3091, then a similar VFB THS4031. The THS4031 is a low-noise, high-voltage VFB that offers approximately 200 MHz GBP. 


Figure 2. Comparative frequency response for one channel of Figure 1 using THS3091 and THS4031.

The circuit of Figure 1 produces a noise gain of 11, which shows up as a signal bandwidth close to 18 MHz for the THS4031, while the THS3091 gives about 200 MHz for each channel.

Example B

Where frequency response peaking is required, a CFB amplifier permits this characteristic to be achieved with reduced interaction between the gain shaping and the amplifier bandwidth. Figure 3 shows an example single stage of a zero/pole pair using a high output current OPA691 CFB amplifier
Figure 3. Frequency response peaking circuit using the OPA691.

This example transitions from a gain of 2 V/V (6 dB) to a gain of +20 V/V (26 dB) over a 2 MHz to 20 MHz span. Implementing this design with a VFB requires a minimum gain bandwidth product (GBP) in excess of (20 × 20 MHz) = 400 MHz in order to not immediately roll off at the maximum gain setting.

Figure 4 shows this simulation where the improved performance of the CFB OPA691 is apparent. 
Figure 4. Peaking circuit frequency response with CFB (OPA691) and VFB (OPA690).

As a comparison, Figure 4 also shows the high output current OPA690 VFB; note that the 300 MHz GBP of the OPA690 is not quite enough for this application while the CFB OPA691 achieves the maximum 26 dB gain at 20 MHz and remains there up to an approximate -3 dB bandwidth of 100 MHz.

Example C
Sallen-Key, or voltage-controlled voltage source, active filters need a non-inverting gain amplifier that has a bandwidth far in excess of the desired filter bandwidth. While this type of filter can be implemented with VFB devices quite well, a CFB device would be preferred where higher frequency cutoff filters are needed, or where the amplifier gain needs to be flexible. The amplifier gain enters into the ideal filter transfer function as part of the Q setting equation. This gain also sets the low frequency gain in a low-pass filter design.

The local bandwidth of the op amp used in this design moves the actual filter poles away from the design targets. In the Sallen-Key low-pass filter, the actual poles move down and to the right in the complex s-plane. This shift gives an actual filter that has lower 0 and higher Q than targeted. To the extent that the amplifier bandwidth changes with gain setting, as it would with a VFB amplifier, the actual filter poles are impacted more strongly using a VFB over a range of gains in the design.

Using a CFB in this filter normally allows a more solid pole placement where the amplifier gain can be varied more freely in the design process because there will be minimal interaction between the required amplifier gain and the impact on the final filter pole locations.

Figure 5 shows an example 20 MHz low-pass Butterworth filter implemented using the CFB OPA695 that gives a passband gain of +4 V/V.
Figure 5. Second-order, low-pass, 20 MHz Butterworth filter using the CFB OPA695.

The resistor values have been adjusted slightly from an ideal analysis to account for the amplifier bandwidth effects and hit the desired frequency response exactly.

In this design, the OPA695 gives an amplifier bandwidth >400 MHz at a gain of +4 V/V (12 dB). This bandwidth gives a 20x margin to the desired filter poles. It is this bandwidth margin that allows the filter poles to be implemented with minimal production variation and holds the stop band rejection down to higher frequencies. All Sallen-Key filters show an increasing gain (or reduced stop band rejection) at very high frequencies as the closed loop output impedance of the amplifier increases sufficiently to support a feed through path through the filter feedback capacitor.

As a comparison, Figure 6 shows the filter of Figure 5 simulated first with the OPA695 and then with the VFB OPA820. Operating at a gain of +4 V/V, the OPA820 will have a bandwidth of about 80 MHz.

Figure 6. Second order, low-pass 20 MHz Butterworth Sallen-Key filter.

The OPA695 implementation hits the desired maximally flat Butterworth design with a 20 MHz cutoff almost exactly. The OPA820 placed into the same circuit shows a slight peaking and reduced bandwidth as predicted. This performance contrasts with the MFB filter discussed in Part 1 of this article, where a VFB is preferred and the effect of finite amplifier gain bandwidth product (GBP) moves the actual poles on a constant 0 circle to lower Q.

Example D
Where the gain needs to be adjusted, a CFB amplifier is preferred because it holds more constant bandwidth as that adjustment is made. Figure 7 shows an example non-inverting design where the adjustment is configured to provide a fine-scale tune from a gain of +2 to +4 V/V using a high output current OPA691. 
Figure 7. Adjustable gain using the high output current OPA691.

In all of these CFB circuits, the feedback resistor is selected and fixed near the recommended value for that particular CFB device. Any adjustments or frequency response shaping is then done using only the gain element.

Since the loop gain does not depend strongly on the signal gain, this type of adjustment holds a more constant bandwidth using a CFB as opposed to a VFB implementation. Conversely, this circuit with the gain adjustment in the feedback resistor would have a significant frequency response variation when using a CFB.

To compare, Figure 8 shows the circuit of Figure 7 simulated at the gain extremes using both the CFB OPA691 and a very similar VFB device, the OPA690. 
Figure 8. Adjustable gain small-signal bandwidth comparison.

At a gain of +2 V/V (6 dB), both parts show about the same bandwidth (280 MHz) where the OPA691 is closer to a Butterworth response while the OPA690 is bit more peaked. Adjusted to a gain of +4 V/V (12 dB), the OPA691 still holds >220 MHz bandwidth while the OPA690 drops to around 100 MHz.

Most simple circuits not mentioned thus far can generally use either a VFB or CFB device. It is sometimes suggested that some of these circuits cannot be implemented using a CFB device; this claim is often incorrect. One example that demonstrates this is the differencing amplifier.

Example E
A single amplifier differential stage (sometimes called a 'differencing' amplifier) can use either VFB or CFB devices. The common-mode rejection ratio (CMRR) of a CFB implementation appears to be lower when compared to an equivalent VFB design. However, that CMRR is the effect of the buffer gain loss across the input stage and is quite repeatable for a particular CFB part number. It is possible to tune up the CMRR to a much higher dc level for a CFB differencing amplifier by slightly increasing the resistor to ground on the non-inverting input.

Figure 9 shows a representative differencing amplifier using the very high slew rate, unity gain stable, VFB OPA690. Notice also that the resistors on the non-inverting side were adjusted down to achieve a matched input impedance for each source (if V1 and V2 are independent sources. See Reference 1 for an example of where they are not). 
Figure 9. Wideband differencing amplifier using an OPA690.

A series resistor into the non-inverting input is then added to achieve bias current cancellation, which would only work to improve output offset voltage in a VFB implementation. This is assuming 0 Ω sources for each source and two independent sources.

This same circuit can be built using the CFB OPA691. Figure 10 shows a CMRR simulation where both inputs are tied together and driven. 
Figure 10. CMRR simulation for OPA690 and OPA691.

The resulting small output gain (large negative dB gain) is then input-referred and the negative taken to get a typical CMRR plot. The OPA690 shows slightly higher CMRR than the OPA691. In this case, the resistors of Figure 9 have been used in both simulations, and no adjustment for improved CMRR made in the OPA691 simulation.

Differential input/output circuits
An emerging class of amplifiers called fully differential amplifiers (FDA) easily can take a single or differential input signal. and produce a differential output centered on a user-selected common-mode operation point. An alternative approach in going differential-in to differential-out has been to use standard dual op amps. A brief review of that approach helps to set the background for the FDA. These approaches are useful also because once they are understood, they open up a large range of dual op amps to the designer for possible application.

Application A
Differential I/O circuits can be easily implemented using either a VFB or CFB. There is, however, some difference between a non-inverting or inverting input implementation with regard to how the common-mode voltage is treated. In the non-inverting input case, the two inputs show a high input impedance to the differential source (allowing filters or other passive circuits to be easily inserted up to these inputs). The common-mode gain from the non-inverting inputs to the differential outputs will be one.

Figure 11 shows an example of this design where the wideband, high output current, dual OPA2614 is used to implement a DSL driver. 
Figure 11. Non-inverting differential I/O circuit using the OPA2614.

Here, the amplifier operates on a single +12 V supply and the filtered differential source is driven through blocking capacitors to the mid-supply referenced termination impedance. The differential gain is set to 6 V/V with a dc blocking capacitor in series with the gain resistor to further attenuate low-frequency noise and reduce output differential offset voltage.

Whether that capacitor is present in the circuit or not, the mid-supply reference on each non-inverting input shows up as the output common mode voltage as well. This circuit demonstrates a typical 1:2 step-up transformer at the output to a 100 Ω load, giving a nominal differential load of 50 ohms.

This circuit is often implemented using dual current feedback op amps (such as the OPA2677) but can give lower output noise using a decompensated dual voltage feedback op amp (for example, the OPA2614). Figure 12 shows the simulated frequency response for this circuit showing about 50 MHz bandwidth—more than adequate for most DSL line driver applications.
  
Figure 12. Non-inverting differential I/O small-signal frequency response.

In the inverting input, differential I/O implementation, the differential input impedance is the sum of the two gain resistors; the output common-mode voltage depends on the dc voltage applied to the non-inverting inputs and the dc gain for that signal path, along with the dc common-mode voltage of the source. If the sources are capacitively or transformer-coupled, the common-mode voltage applied to the non-inverting inputs will have a gain of one to the output.

Figure 13 shows an inverting differential I/O using the very low power OPA2684 dual CFB in a single +5 V supply with a mid-supply common-mode reference and an ac-coupled input interface. 
Figure 13. Low power, inverting differential I/O using the OPA2684.

This circuit provides a common-mode output of 2.5 V with a differential gain of five and >100 MHz bandwidth while using only 3.6 mA total quiescent supply current.

Figure 13 also shows a differential ac input impedance of 400 ohms. One advantage of the OPA2684 is that the source impedance (possibly a filter) will not interact with the amplifier bandwidth. A dual VFB amplifier used here will work, but the source impedance would then be part of the loop gain equation and might adversely impact the frequency response.

Figure 14 illustrates a simulation of this low-power inverting input differential I/O example where a dual VFB device, the OPA2822, is also shown. 
Figure 14. Inverting input differential I/O frequency response.

That part is a unity gain stable, 200 MHz GBP device so this noise gain of six configuration shows about 35 MHz bandwidth versus >150 MHz bandwidth for the OPA2684.

Fully differential amplifiers are essentially VFB devices with an added output common-mode control loop. Instead of an internal differential to single-ended conversion, such as standard op amps require, these devices continue the signal path to the output differentially. All of the applications discussed in Part 1 for VFB devices would also be suitable for an FDA device adapted to a differential signal path. However, there are at least two types of application circuits where the FDA provides a compelling solution as compared to standard VFB implementations.

Application B
A dc-coupled, single-ended input to differential output with output common-mode control can best be implemented with an FDA device. One of the key considerations in this design is to match the feedback divider ratios on each side of the FDA circuit, including the signal source impedance. It is also important to understand that the common-mode control loop is level-shifted from the input to the output by setting up a common-mode current in the feedback paths. Therefore, the source must be able to sink or source a portion of this dc common-mode current. (See Reference 2 for a discussion of basic FDA operation and applications.)

Figure 15 shows an example circuit using the THS4511, a very wideband, single, 5V-supply FDA that includes ground in its input common-mode range. 
Figure 15. Single-ended input to differential output using the THS4511.

This feature makes the THS4511 particularly useful for converting a single-ended, ground-referenced signal that swings only above ground into a differential output around a common-mode voltage.

The THS4511 shows a very high full-power bandwidth with its 2 GHz GBP and 4900 V/μsec differential slew rate. These two characteristics together give an exceptional pulse response in a dc-coupled single to differential conversion. Figure 16 shows the simulated frequency response. 
Figure 16. DC-coupled single to differential frequency response.

Application C
Differential-input-to-differential-output circuits with very low distortion can clearly benefit from the FDA topology. Where a low IF requirement needs the best third-order intermodulation spurious suppression using modest quiescent power levels, a transformer-coupled FDA implementation provides a surprisingly low-noise figure with exceptionally low harmonics.

Figure 17 shows an example of this type of circuit using the very wideband THS4509. 
Figure 17. Very low noise and distortion IF amplifier using the THS4509.

This example gives a noise figure of 8.2 dB (from a 50 Ω source) while also giving >100 dB two-tone spurious free dynamic range (SFDR) through 70 MHz for 2 Vpp outputs. This performance is equivalent to a 54 dBm third-order intercept in an FDA using approximately 200 mW quiescent power.

The 1:1.4 input turns-ratio transformer reflects the 100 Ω differential input impedance of the FDA circuit to a 50 Ω termination (Reference 3 discusses this circuit and measured performance in detail). In this case, the transformer becomes the bandwidth limiting element. Figure 18 shows the simulated performance, including the transformer model. 
Figure 18. Small-signal bandwidth for the transformer-coupled FDA.

This single to differential gain of 7 V/V shows up as a low frequency gain of 16.9 dB. The first rolloff above is the transformer while the second break in the rolloff curve is the appearance of the THS4509 bandwidth limitation. As can be seen, this circuit gives very good flatness through 200 MHz IF frequencies.

Conclusions
Today's circuit designers enjoy a tremendous selection of high performance wideband op amps. Newer and increasingly better devices are emerging steadily, showing constant improvement on the speed versus power tradeoff. Where the feedback element needs to be adjustable or is capacitive, a voltage feedback or fully differential device is the preferred solution. Where gain flexibility or frequency response shaping is desired in a low-power implementation, and dc precision is a secondary concern, a current feedback device would be the first choice. Many applications can use either a VFB or CFB device where issues such as the speed/power tradeoff, noise or dc precision become the deciding factor.